Your GEA heat exchanger is down. Waiting 12 weeks for a simple gasket is unacceptable. We provide 100% compatible parts, delivered in days, not months.
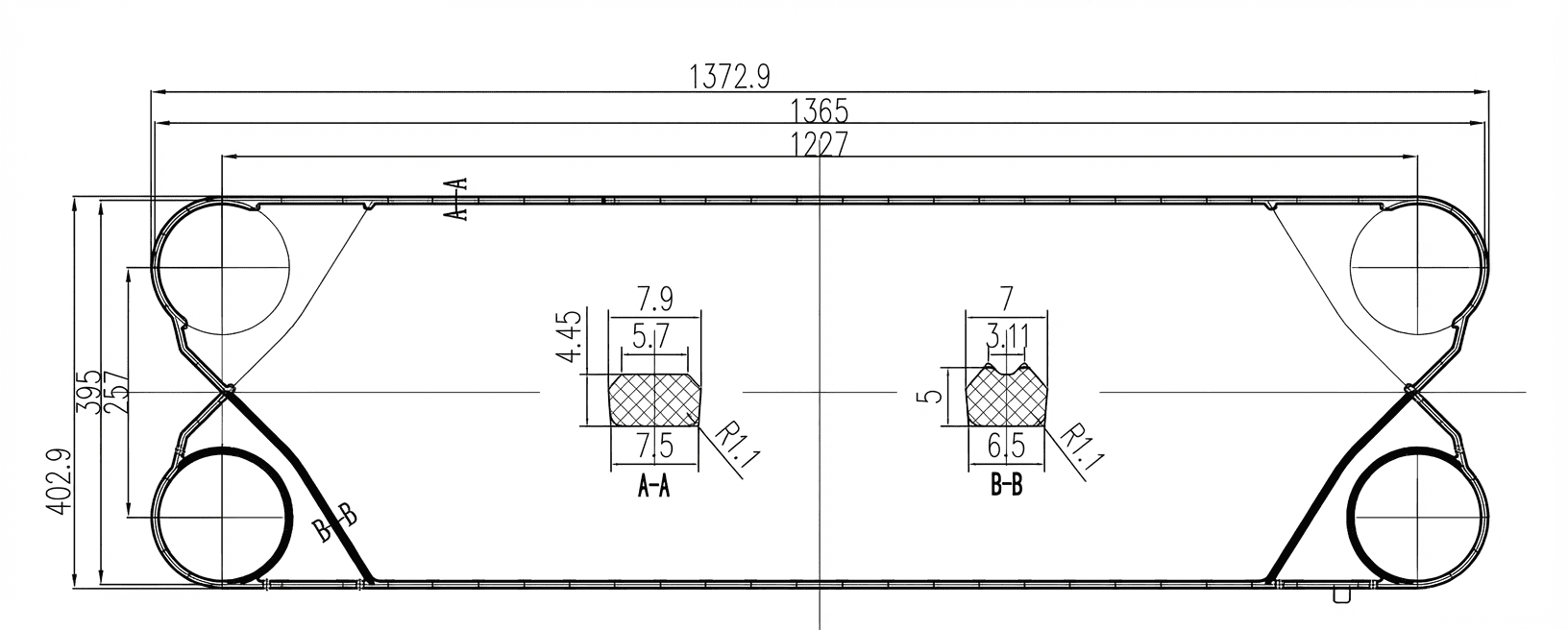
The key is to partner with a manufacturer that provides 1:1 technical drawing verification1 and proven material science. This ensures a perfect fit and long-term reliability for your GEA NT and VT series2 units, effectively cutting costs without introducing risk to your operations.
3's GEA Precision Spares" />
I know the hesitation that many plant managers feel. Sourcing aftermarket parts can seem like a gamble, especially when a bad fit could extend your downtime and cost you thousands. But what if you could eliminate that risk entirely? Over my 15 years in this business, I've seen that success comes down to technical precision4. It all starts with getting the fit right, down to the last millimeter. We've built our entire process around providing that certainty to our customers, so you can move forward with confidence.
How can you ensure a 1:1 fit for your GEA NT50M or VT20 models?
You've ordered a replacement plate and waited weeks, only for it to arrive and not fit. Now your shutdown is extended. We help you avoid this costly nightmare.
Demand a detailed technical drawing before you place an order. By comparing the drawing's dimensions, hole centers, and corrugation pattern against your existing plate, you can guarantee a 100% perfect fit. It is the most reliable way to prevent installation issues.

I remember talking to David, a chemical plant manager in the US. He was burned by a previous supplier who sent parts that were just slightly off, causing a major installation headache. He was hesitant to trust another aftermarket source for his critical GEA NT100X unit. So, we didn't just give him a quote. We sent him our complete technical drawing. He was able to overlay our CAD specifications with his own measurements, confirming every dimension. That simple step gave him the absolute certainty he needed to place a 500-plate order. This isn't a special service; it's our standard procedure. We provide these drawings for every GEA inquiry because we believe your confidence is non-negotiable. Our process guarantees you get the right part the first time.
TIVO’s 4-Step Verification Workflow
| Step | Action | Outcome |
|---|---|---|
| 1 | Provide GEA Model & Serial | We identify the exact plate and gasket specifications. |
| 2 | TIVO Issues CAD Drawing | You get a clear visualization of all dimensions. |
| 3 | Customer Confirmation | You have 100% confidence in the part's fit before production. |
| 4 | Rapid Production | We ship guaranteed 100% compatible parts in 7-15 days. |
Can aftermarket parts really handle corrosive chemical and marine environments?
Your heat exchanger operates in harsh conditions with saltwater or aggressive chemicals. Using the wrong material means leaks and catastrophic failure. We ensure your parts are engineered for the job.
Absolutely. High-quality aftermarket gaskets are extremely reliable if the material is correctly specified and tested. For GEA units in marine or chemical roles, materials like EPDM, NBR, or Viton (FKM) must be chosen based on the fluid, ensuring performance equal to OEM standards.

We recently worked with a project manager, Sergey, who manages a fleet of vessels with GEA VT80 units for engine cooling. Saltwater is relentless, and he couldn't afford a single failure at sea. He needed more than just a part number; he needed proof of performance. We provided him with our full material specification sheets for our high-grade EPDM gaskets5, along with internal batch test reports. We explained how our 15 years of manufacturing experience informs our mold design. We focus intensely on the clip tension6 of the gasket, ensuring it snaps into the plate groove with just the right force. Too loose, and it falls out during assembly. Too tight, and it damages the plate. We also control the thinning rate during compression to be within 25%, guaranteeing a perfect, long-lasting seal under pressure shocks. This is the difference between a simple trader and a true manufacturing partner.
Gasket Material Selection Guide
| Material | Best For | Approx. Temp. Limit |
|---|---|---|
| NBR | Oils, Fats, Glycol-based fluids | ~130°C (266°F) |
| EPDM | Water, Steam, Dilute Acids | ~150°C (302°F) |
| Viton (FKM) | High-Temp Oils, Solvents | ~180°C (356°F) |
How can you reduce maintenance costs without compromising safety?
OEM spare parts7 for your GEA NT and VT series are draining your maintenance budget. You need a way to cut costs without risking operational safety. We offer that solution.
You can dramatically lower maintenance expenses by sourcing 100% compatible plates and gaskets directly from a proven manufacturer like us. This strategy cuts out expensive distributor markups and eliminates the long lead times common with OEM suppliers, securing your budget and your production schedule.

A story that comes to mind is from Ahmad, an operations director at a palm oil refinery in Indonesia. His plant relied heavily on GEA NT250L units, and a planned shutdown was fast approaching. The OEM shocked him with a 12-week lead time for a new set of gaskets. Such a delay would have been disastrous for their production schedule. He contacted us in a difficult situation. We immediately confirmed the NBR material specifications from his operational data and, because we have the molds ready, started production the next day. We manufactured and shipped his 100% compatible gaskets in just 10 days. He kept his shutdown on schedule and saved a massive portion of his budget. This is possible because we are the factory. There are no middlemen, no brand premiums, just efficient production from our 16 automated lines straight to your plant.
Cost & Lead Time Comparison
| Metric | OEM Supplier | TIVO Technology |
|---|---|---|
| Price | High (Brand Premium) | Competitive (Factory Direct) |
| Lead Time | 8-12+ Weeks | 7-15 Days |
| Compatibility | Guaranteed | Guaranteed (Via Technical Drawings) |
Conclusion
Get reliable, perfectly-fitting GEA NT & VT replacement parts without the high cost or long wait. We guarantee compatibility and performance, securing your operations and your maintenance budget.
Understanding this process can help ensure you receive parts that fit perfectly, reducing downtime. ↩
Learn about these specific models to understand their applications and maintenance needs. ↩
Explore TIVO's expertise in providing high-quality, compatible parts that ensure reliability and cost savings for your operations. ↩
Discover how precision impacts the quality and performance of manufactured parts. ↩
Understanding the applications of EPDM gaskets can help in selecting the right materials for your needs. ↩
Learn how clip tension affects gasket performance and installation to avoid future issues. ↩
Understanding the benefits of OEM parts can help you weigh your options against aftermarket solutions. ↩